| Availability: | |
|---|---|
DB207
Merry
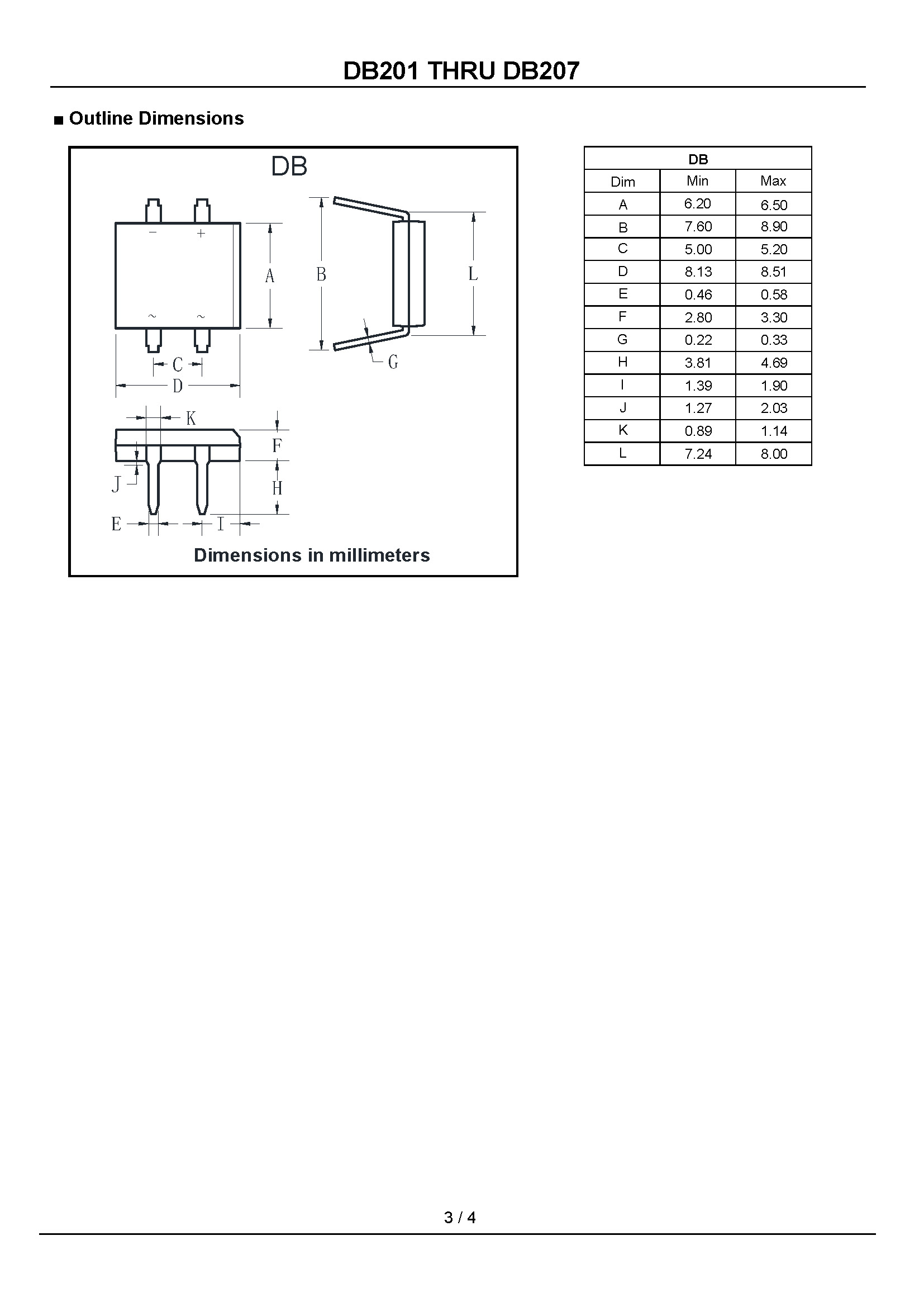
Bridge Rectifiers, VRM: 1000V, Io: 2A, IFSM: 60A, fetures, applications, DB, DB201 THRU DB207
Features :
- UL recognition, file #E313149
- Glass passivated chip junction
- High surge current capability
- Solder dip 275 °C max. 7 s, per JESD 22-B106
Typical Applications  :
- General purpose use in AC/DC bridge full wave rectification for SMPS, lighting ballast, adapter, battery charger, home
appliances, office equipment, and telecommunication applications..
Mechanical Data  :
- Package: DB
  Molding compound meets UL 94 V-0 flammability rating, RoHS-compliant, halogen-free
- Terminals: Tin plated leads, solderable per J-STD-002 and JESD22-B102
- Polarity: As marked on body 

 
 Name2
 
 Name1
 
 Name2
 
 Name1
 
 Name2
 
 Name1
 
 Name2
COMPANY PROFILE
 
 SALES AND SERVICE NETWORK
1. We are a professional Magnetic component manufacturer with over 10 years of experience in designing and producing and Exporting.2. Strictly QC inspecting rules: all products must be 100% inspected before delivery.
3. OEM/ODM services are available.
4. We have an independent order system, with the overall tracking function from raw materials purchasing to finished goods outgoing.
CERTIFICATION
Certifications
Our superior quality, competitive price and excellent services we enjoyed a high reputation and keep reliable cooperation with the globally valued company, Sincerely I look forward to working with you, we'll be sure your Loyal partner.
FAQ
Q1:What service do you have?
We provide turnkey solution including RD, PCB fabrication, SMT, testing and other value-added service.
Q2:What are the main products of your PCB/PCBA services?
Our PCB / PCBA services are mainly for the industries including Medical, Automotive, Energy, Metering / Measurements, Consumer Electronics.
Q3:Can we inspect quality during production?
Yes, we are open and transparent on each production process with nothing to hide. We welcome customer inspect our production process and check in house.
Q4:How can we ensure our information should not let third party to see our design?
We are willing to sign NDA effect by customer side local law and promising to keep customers data in high confidential level.
Q5:What files required to get quotation from you?
For PCB quotation, please provide the Gerber data / files and indication of related technical requirements as well as any special requirement if you have.
For PCBA quotation, please provide Gerber data / files and also BOM (bill of materials), and if you need us to do function test, please also provide the test instruction/procedure.
Q6:What is standard delivery term?
Delivery terms of EXW, FCA, FOB, DDU etc. are all available based on each quote.
Q7:How long does it take for PCB quote?
Normally 12 hours to 48 hours as soon as receive internal engineer evaluate confirmation.
Q8:Do you have any minimum order quantity (MOQ) requirement?
No, we do not have MOQ requirement, we can support your projects starting from prototypes to mass productions.
Bridge Rectifiers, VRM: 1000V, Io: 2A, IFSM: 60A, fetures, applications, DB, DB201 THRU DB207
Features :
- UL recognition, file #E313149
- Glass passivated chip junction
- High surge current capability
- Solder dip 275 °C max. 7 s, per JESD 22-B106
Typical Applications  :
- General purpose use in AC/DC bridge full wave rectification for SMPS, lighting ballast, adapter, battery charger, home
appliances, office equipment, and telecommunication applications..
Mechanical Data  :
- Package: DB
  Molding compound meets UL 94 V-0 flammability rating, RoHS-compliant, halogen-free
- Terminals: Tin plated leads, solderable per J-STD-002 and JESD22-B102
- Polarity: As marked on body 

 
 Name2
 
 Name1
 
 Name2
 
 Name1
 
 Name2
 
 Name1
 
 Name2
COMPANY PROFILE
 
 SALES AND SERVICE NETWORK
1. We are a professional Magnetic component manufacturer with over 10 years of experience in designing and producing and Exporting.2. Strictly QC inspecting rules: all products must be 100% inspected before delivery.
3. OEM/ODM services are available.
4. We have an independent order system, with the overall tracking function from raw materials purchasing to finished goods outgoing.
CERTIFICATION
Certifications
Our superior quality, competitive price and excellent services we enjoyed a high reputation and keep reliable cooperation with the globally valued company, Sincerely I look forward to working with you, we'll be sure your Loyal partner.
FAQ
Q1:What service do you have?
We provide turnkey solution including RD, PCB fabrication, SMT, testing and other value-added service.
Q2:What are the main products of your PCB/PCBA services?
Our PCB / PCBA services are mainly for the industries including Medical, Automotive, Energy, Metering / Measurements, Consumer Electronics.
Q3:Can we inspect quality during production?
Yes, we are open and transparent on each production process with nothing to hide. We welcome customer inspect our production process and check in house.
Q4:How can we ensure our information should not let third party to see our design?
We are willing to sign NDA effect by customer side local law and promising to keep customers data in high confidential level.
Q5:What files required to get quotation from you?
For PCB quotation, please provide the Gerber data / files and indication of related technical requirements as well as any special requirement if you have.
For PCBA quotation, please provide Gerber data / files and also BOM (bill of materials), and if you need us to do function test, please also provide the test instruction/procedure.
Q6:What is standard delivery term?
Delivery terms of EXW, FCA, FOB, DDU etc. are all available based on each quote.
Q7:How long does it take for PCB quote?
Normally 12 hours to 48 hours as soon as receive internal engineer evaluate confirmation.
Q8:Do you have any minimum order quantity (MOQ) requirement?
No, we do not have MOQ requirement, we can support your projects starting from prototypes to mass productions.