| Availability: | |
|---|---|
LSD55R140GF
Product Name:
High Voltage Lonten N-channel 550V, 23A, 0.14Ω LonFETTM Power MOSFET
Product Description:
Description:
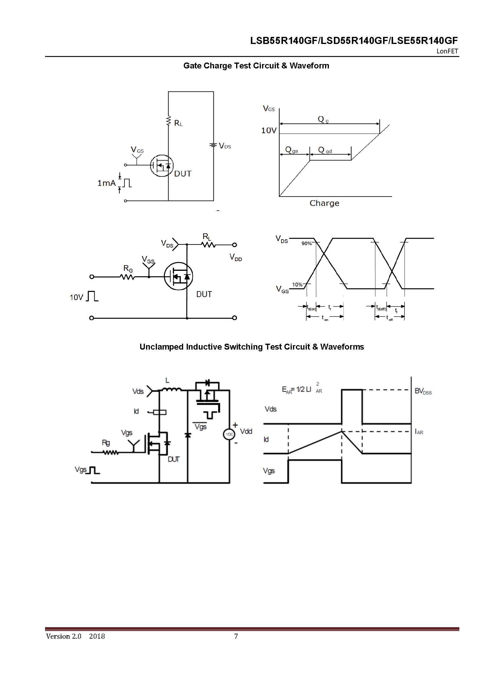
LonFETTM Power MOSFET is fabricated using
advanced super junction technology. The resulting
device has extremely low on resistance, making it
especially suitable for applications which require
superior power density and outstanding efficiency.
Features:
Ultra low RDS(on)
Ultra low gate charge (typ. Qg = 40nC)
100% UIS tested
RoHS compliant
Applications:
Power faction correction (PFC).
Switched mode power supplies (SMPS).
Uninterruptible power supply (UPS).
Product Summary:
VDS Tj,max: 600V
RDS(on),max: 0.14Ω
IDM: 69A
Qg,typ: 40nC
Introducing the High Voltage Lonten N-channel 550V, 23A, 0.14Ω LonFETTM Power MOSFET, a cutting-edge electronic component designed to revolutionize the world of electronic devices. With its exceptional switching and amplifying capabilities, this product is engineered to enhance the performance and efficiency of your electronic devices.
Built with utmost precision and utilizing advanced technology, our High Voltage Lonten N-channel 550V, 23A, 0.14Ω LonFETTM Power MOSFET is specifically designed to handle high voltage applications with ease. Whether you require efficient switching or amplification of electronic signals, this powerful MOSFET is the perfect solution.
Featuring a remarkable voltage rating of 550V, this MOSFET ensures reliable performance even in demanding applications. With a current rating of 23A, it can effortlessly handle high levels of current flow, making it ideal for power-hungry electronic devices.
One of the standout features of our LonFETTM Power MOSFET is its low on-resistance of 0.14Ω. This low resistance ensures minimal power loss and enables efficient power management, resulting in improved overall performance and energy savings.
Crafted with professionalism and precision, this MOSFET guarantees exceptional quality and durability. It is meticulously designed to withstand rigorous operating conditions, ensuring long-lasting performance and reliability.
Whether you are designing power supplies, motor control systems, or any other electronic device, our High Voltage Lonten N-channel 550V, 23A, 0.14Ω LonFETTM Power MOSFET is the perfect choice. Experience enhanced switching and amplification capabilities, allowing your devices to operate at their full potential.
Invest in the future of electronic devices with our High Voltage Lonten N-channel 550V, 23A, 0.14Ω LonFETTM Power MOSFET. Trust in its professional-grade performance and unlock the true power of your electronic designs.
Product Specifications:
Product Name:
High Voltage Lonten N-channel 550V, 23A, 0.14Ω LonFETTM Power MOSFET
Product Description:
Description:
LonFETTM Power MOSFET is fabricated using
advanced super junction technology. The resulting
device has extremely low on resistance, making it
especially suitable for applications which require
superior power density and outstanding efficiency.
Features:
Ultra low RDS(on)
Ultra low gate charge (typ. Qg = 40nC)
100% UIS tested
RoHS compliant
Applications:
Power faction correction (PFC).
Switched mode power supplies (SMPS).
Uninterruptible power supply (UPS).
Product Summary:
VDS Tj,max: 600V
RDS(on),max: 0.14Ω
IDM: 69A
Qg,typ: 40nC
Introducing the High Voltage Lonten N-channel 550V, 23A, 0.14Ω LonFETTM Power MOSFET, a cutting-edge electronic component designed to revolutionize the world of electronic devices. With its exceptional switching and amplifying capabilities, this product is engineered to enhance the performance and efficiency of your electronic devices.
Built with utmost precision and utilizing advanced technology, our High Voltage Lonten N-channel 550V, 23A, 0.14Ω LonFETTM Power MOSFET is specifically designed to handle high voltage applications with ease. Whether you require efficient switching or amplification of electronic signals, this powerful MOSFET is the perfect solution.
Featuring a remarkable voltage rating of 550V, this MOSFET ensures reliable performance even in demanding applications. With a current rating of 23A, it can effortlessly handle high levels of current flow, making it ideal for power-hungry electronic devices.
One of the standout features of our LonFETTM Power MOSFET is its low on-resistance of 0.14Ω. This low resistance ensures minimal power loss and enables efficient power management, resulting in improved overall performance and energy savings.
Crafted with professionalism and precision, this MOSFET guarantees exceptional quality and durability. It is meticulously designed to withstand rigorous operating conditions, ensuring long-lasting performance and reliability.
Whether you are designing power supplies, motor control systems, or any other electronic device, our High Voltage Lonten N-channel 550V, 23A, 0.14Ω LonFETTM Power MOSFET is the perfect choice. Experience enhanced switching and amplification capabilities, allowing your devices to operate at their full potential.
Invest in the future of electronic devices with our High Voltage Lonten N-channel 550V, 23A, 0.14Ω LonFETTM Power MOSFET. Trust in its professional-grade performance and unlock the true power of your electronic designs.
Product Specifications: